1. 閥門小巧輕便,容易拆裝及維修,并可在任意位置安裝。
2. 結構簡單、緊湊、操作扭矩小,90°回轉開啟迅速。
3. 流量特性趨直線,調節性能好。
?
?
| 材料 |
?????? 介質溫度℃ |
材料 |
介質溫度℃ |
| 氯化聚氯乙烯(PVC-C) |
-20℃~+95℃ |
聚氯乙烯(PVC-U) |
-5℃~+45℃ |
| 增強聚丙烯(FRPP) |
-20℃~+120℃ |
均聚聚丙烯(PPH) |
-20℃~+110℃ |
| 聚偏二氟乙烯(PVDF) |
40℃~+150℃ |
|
|
?
|
件號
|
名稱
|
材質
|
|
1
|
手輪 |
鑄鐵,鋁合金 |
|
2
|
蝸輪軸 |
鋼 |
|
3
|
指示器銘牌 |
鋁 |
|
4
|
六角螺栓 |
鋼、不銹鋼 |
|
5
|
蝸輪蓋 |
鑄鐵,鋁合金 |
|
6
|
蝸輪箱 |
鑄鐵,鋁合金 |
|
7
|
限位螺栓 |
鋼、不銹鋼 |
|
8
|
閥桿 |
鋼、不銹鋼 |
|
9
|
雙頭螺柱 |
鋼、不銹鋼 |
|
10
|
六角螺母 |
鋼、不銹鋼 |
|
11
|
密封橡膠 |
EPDM,FPM |
| 12 |
閥板 |
FRPP,PVDF,PVC-C,PVC-U,PPH |
| 13 |
閥體 |
FRPP,PVDF,PVC-C,PVC-U,PPH |

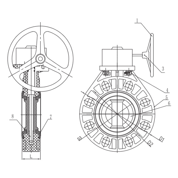
蝸輪式蝶閥裝配明細圖
?
?
|
編號
|
部件名稱
|
材質
|
數量
|
|
1
|
手輪 |
鑄鐵 |
1
|
|
2
|
蝸輪頭 |
鑄鐵 |
1
|
|
3
|
銷子 |
鋼 |
1
|
|
4
|
螺帽罩 |
FRPP |
?4
|
|
5
|
閥體 |
FRPP,PVDF,PVC-C,PVC-U,PPH |
1
|
|
6
|
閥板 |
FRPP,PVDF,PVC-C,PVC-U,PPH |
1
|
|
7
|
密封橡膠 |
EPDM,FPM |
1
|
|
8
|
閥桿 |
鋼、不銹鋼 |
1
|
?

公稱直徑 DN(mm) |
法蘭外徑 D1 |
孔距D2 |
內徑 D3 |
T |
n-Φ |
| GB |
JIS |
ANSI |
GB |
JIS |
ANSI |
| 32(11/4") |
140? |
100? |
100? |
88.9? |
33? |
35? |
4-Φ17 |
4-Φ17 |
4-Φ17 |
| 40(11/2") |
150? |
110? |
105? |
98.4? |
41.5? |
39? |
4-Φ19X25 |
4-Φ19X25 |
4-Φ19X25 |
| 50(2") |
160? |
125? |
120? |
120.7? |
50? |
40? |
4-Φ19X26.5 |
4-Φ19X26.5 |
4-Φ19X26.5 |
| 65(21/2") |
180? |
145? |
140? |
139.7? |
64? |
42? |
4-Φ19X26.5 |
4-Φ19X26.5 |
4-Φ19X26.5 |
| 80(4") |
200? |
160? |
150? |
152.4? |
77? |
42? |
8-Φ19X25 |
8-Φ19X25 |
4-Φ19X20 |
| 100(4") |
225? |
180? |
175? |
190.5? |
96? |
52? |
8-Φ19X32 |
8-Φ19X32 |
8-Φ19X32 |
| 125(5") |
255? |
210? |
210? |
215.9? |
120? |
61? |
8-Φ23X33 |
8-Φ23X33 |
8-Φ23X33 |
| 150(6") |
290? |
240? |
240? |
241.3? |
145? |
71? |
8-Φ23X34 |
8-Φ23X34 |
8-923X34 |
| 200(8") |
340? |
295? |
290? |
298.5? |
196.5? |
81? |
8-Φ23X33.5 |
12-Φ23X27 |
8-Φ23X33.5 |
| 250(10") |
420? |
350? |
355? |
362? |
245.5? |
110? |
12-Φ23.5X32 |
12-Φ23.5X32 |
?12-Φ23.5X32 |
| 300(12") |
500? |
400? |
|
431.8? |
291.5? |
115? |
12-Φ28X48 |
|
?12-Φ28X48 |
| 350(14") |
550? |
460? |
|
476.3? |
340? |
127? |
16-Φ26 |
|
12-Φ33 |
| 400(16") |
619? |
515? |
510? |
539.8? |
399? |
140? |
16-Φ36X52 |
16-Φ36X52 |
16-Φ36X52 |
| 450(18") |
655? |
565? |
565? |
577.9? |
446? |
150? |
20-Φ25 |
20-Φ27 |
16-Φ33 |
| 500(20") |
705? |
620? |
620? |
635? |
494? |
150? |
20-Φ26X33 |
20-Φ27X33 |
20-26X33 |
| 600(24") |
816? |
725? |
|
749.3? |
570? |
170? |
20-Φ28X38 |
|
20-Φ28X38 |
| 700(28") |
910? |
840? |
840? |
|
670? |
185? |
24-Φ33X44 |
24-Φ33X44 |
|
| 800(32") |
1055? |
960? |
950? |
977.9? |
755? |
240? |
24-Φ44.5X65 |
28-Φ36X52 |
24-Φ44.5X65 |
| 1000(40") |
1230? |
1160? |
1160? |
|
935? |
236? |
28-Φ36X52 |
28-Φ39 |
|


公稱直徑 DN(mm) |
法蘭外徑 D1 |
孔距?D2 |
內徑 D3 |
T |
n-Φ |
| GB |
JIS |
ANSI |
GB |
JIS |
ANSI |
| 40(11/2") |
148? |
110? |
105? |
98.4? |
41.5? |
39? |
4-Φ19X25 |
4-Φ19X25 |
4-Φ19X25 |
| 50(2") |
162? |
125? |
120? |
120.7? |
50? |
40? |
4-Φ19X26.5 |
4-Φ19X25.6 |
4-Φ19X25.6 |
| 65(21/2") |
180? |
145? |
140? |
139.7? |
64? |
42? |
4-Φ19X26.5 |
4-Φ19X25.6 |
4-Φ19X25.6 |
| 80(3") |
198? |
160? |
150? |
152.4? |
77? |
42? |
8-Φ19X25 |
8-Φ19X24 |
4-Φ19X20 |
| 100(4") |
225? |
180? |
175? |
190.5? |
96? |
52? |
8-Φ19X32 |
8-Φ19X32 |
8-Φ19X32 |
| 125(5") |
255? |
210? |
210? |
215.9? |
120? |
61? |
8-Φ23X33 |
8-Φ23X33 |
8-Φ23X33 |
| 150(6") |
285? |
240? |
240? |
241.3? |
145? |
71? |
8-Φ23X34 |
8-Φ23X34 |
8-Φ22X34 |
| 200(8") |
340? |
295? |
290? |
298.5? |
196.5? |
81? |
8-Φ23X33.5 |
12-Φ23X27 |
8-Φ22X33.5 |