| 材料 |
?????? 介質溫度℃ |
材料 |
介質溫度℃ |
| 氯化聚氯乙烯(PVC-C) |
-20℃~+95℃ |
聚氯乙烯(PVC-U) |
-5℃~+45℃ |
| 增強聚丙烯(FRPP) |
-20℃~+120℃ |
均聚聚丙烯(PPH) |
-20℃~+110℃ |
| 聚偏二氟乙烯(PVDF) |
40℃~+150℃ |
|
|
1.抗化學性優越:使用溫度范圍廣﹣20℃—95℃,介質中重離子含量達超純水標準;衛生性能符合國家衛生標準要求;
2.具有優良的強度、韌性以及耐化學腐蝕性能;
3.耐用:優異的耐老化和抗紫外線性能,使正常使用壽命比其他管道系統均有很大的延長;
4.低熱傳導性能:約為鋼材的1/200;阻燃性能為自熄性;
5.輕便:重量輕,相當于鋼管1/5,銅管的1/6;
6.阻力小,流率高:管壁平潔光滑,輸送流體時具有較小的摩擦阻力和附著力;
7.安裝簡易,成本低廉:可采用粘接、螺紋等方式連接,而簡便的是膠水連接。

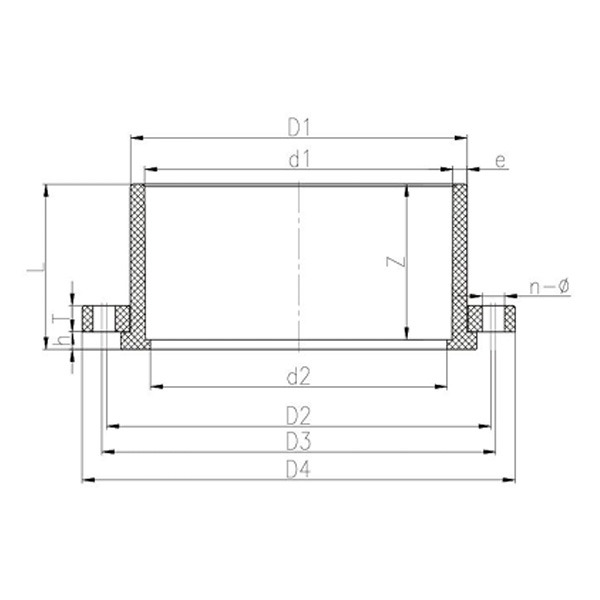
公稱直徑 DN |
D1 |
D2 |
D3 |
D4 |
d1 |
d2 |
L |
T |
h |
Z |
n-Φ |
| 15? |
27? |
59? |
70? |
95? |
20? |
18? |
22? |
16? |
1.5? |
16? |
4-Φ15X20.5 |
| 20? |
32? |
70? |
75? |
105? |
25? |
23? |
25? |
18? |
1.5? |
19? |
4-Φ15X17.5 |
| 25? |
40? |
79? |
90? |
125? |
32? |
29? |
28? |
18? |
1.5? |
22? |
4-Φ15X20.5 |
| 32? |
50? |
89? |
100? |
140? |
40? |
36? |
31.5? |
20? |
1.5? |
26? |
4-Φ18X24.5 |
| 4? |
61? |
98? |
110? |
150? |
50? |
4? |
37? |
20? |
2? |
31? |
4-Φ18X24 |
| 50? |
75? |
120? |
125? |
165? |
63? |
58? |
44? |
25? |
2? |
38? |
4-Φ18X20.5 |
| 65? |
88? |
140? |
145? |
185? |
75? |
69? |
50? |
25? |
2? |
44? |
4-Φ18X20.5 |
| 80? |
105? |
150? |
160? |
200? |
90? |
84? |
57? |
26? |
2.5? |
51? |
8-Φ18X23 |
| 100? |
127? |
175? |
190? |
522? |
9110? |
105? |
67? |
26? |
2.5? |
61? |
8-Φ18X26 |
| 125? |
161? |
210? |
250? |
140? |
130? |
84? |
28? |
12.5? |
77? |
8-Φ19 |
| 150? |
182? |
240? |
285? |
160? |
150? |
93? |
31? |
12.5? |
85? |
8-Φ23 |
| 200? |
249? |
295? |
339? |
225? |
215? |
127? |
36? |
16? |
119? |
8-Φ23X25 |
| 200? |
254? |
295.8? |
341? |
225? |
215? |
127? |
33.1? |
16? |
119? |
12-Φ22 |
| 250? |
308? |
350? |
395? |
280? |
267? |
154? |
40.5? |
16.5? |
144? |
12-Φ23 |
| 300? |
346? |
400? |
445? |
315? |
305? |
170? |
43? |
18? |
160? |
12-Φ23 |
| 350? |
395? |
460? |
505? |
355? |
340? |
176? |
43? |
16? |
164.5? |
16-Φ23 |
| 400? |
442? |
515? |
570? |
400? |
382? |
219? |
43? |
22? |
200? |
16-Φ27 |
| 450? |
494? |
565? |
625? |
450? |
430? |
220? |
40? |
27? |
210? |
20-Φ26 |
| 500? |
548? |
620? |
670? |
500? |
475? |
210? |
43? |
25? |
185? |
20-Φ27 |