| 材料 |
?????? 介質溫度℃ |
材料 |
介質溫度℃ |
| 氯化聚氯乙烯(PVC-C) |
-20℃~+95℃ |
聚氯乙烯(PVC-U) |
-5℃~+45℃ |
| 增強聚丙烯(FRPP) |
-20℃~+120℃ |
均聚聚丙烯(PPH) |
-20℃~+110℃ |
| 聚偏二氟乙烯(PVDF) |
40℃~+150℃ |
|
|
1.輕質高強
相對密度在1.5~2.0之間,只有碳鋼的1/4~1/5,可拉伸強度卻接近,甚至超過碳素鋼,而比強度可以與高級合金鋼相比;
2.耐腐蝕性能好
FRP是良好的耐腐材料,對大氣、水和一般濃度的酸、堿、鹽以及多種油類和溶劑都有較好的抵抗能力;?
3.電性能好
FRP是優良的絕緣材料,用來制造絕緣體;高頻下仍能保護良好介電性,微波透過性良好;?
4.熱性能良好?
FRP熱導率低,室溫下為1.25~1.67kJ/,只有金屬的1/100~1/1000,是優良的絕熱材料;
5.可設計性好?
可根據需要,靈活地設計出各種結構產品,來滿足使用要求;使產品有很好的整體性,充分選擇材料來滿足產品的性能;?
6.工藝性優良?
可根據產品的形狀、技術要求、用途及數量來靈活地選擇成型工藝;工藝簡單,可一次成型,經濟效果突出,尤其對形狀復雜、不易成型的數量少的產品,更突出它的工藝優越性。

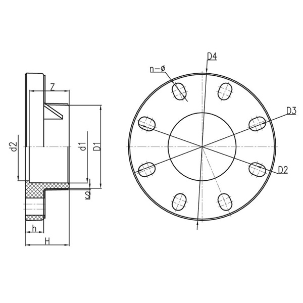
公稱直徑 DN |
D1 |
D2 |
D3 |
D4 |
d1 |
d2 |
H |
h |
Z |
S |
n-Φ |
| 0.6MPa |
1.0MPa |
1.6MPa |
| 15? |
30? |
65? |
70? |
95? |
20? |
17? |
20? |
14? |
16? |
12? |
? 14? |
16? |
4-Φ15X20 |
| 20? |
36? |
70? |
75? |
105? |
25? |
22? |
23? |
16? |
19? |
12? |
? 14? |
16? |
4-Φ15X18 |
| 25? |
46? |
79? |
90? |
120? |
32? |
28? |
27? |
16? |
22? |
12? |
? 14? |
18? |
4-Φ16X22 |
| 32? |
53? |
89? |
100? |
140? |
40? |
36? |
31? |
17? |
26? |
12? |
? 16? |
18? |
4-Φ18X24 |
| 40? |
64? |
98? |
110? |
150? |
50? |
45? |
36? |
19? |
31? |
12? |
? 18? |
20? |
4-Φ18X25 |
| 50? |
77? |
120? |
125? |
165? |
63? |
58? |
43? |
21? |
38? |
15? |
? 18? |
20? |
4-Φ18X21 |
| 65? |
92? |
140? |
145? |
185? |
75? |
69? |
50? |
22? |
44? |
18? |
? 20? |
25? |
4-Φ18X21 |
| 80? |
108? |
150? |
160? |
200? |
90? |
84? |
57? |
25? |
51? |
18? |
? 20? |
25? |
8-Φ18X24 |
| 100? |
131? |
175? |
190.5? |
225? |
110? |
104? |
67? |
28? |
61? |
18? |
? 20? |
25? |
8-Φ18X26 |
| 125? |
160? |
210? |
216? |
250? |
140? |
134? |
82? |
30? |
76? |
18? |
? 25? |
30? |
8-Φ20X22 |
| 150? |
180? |
240? |
242? |
280? |
160? |
154? |
92? |
30? |
86? |
18? |
? 25? |
30? |
8-Φ23X24 |
| 200(PN10) |
253? |
290? |
295? |
338? |
225? |
219? |
125? |
35? |
119? |
20? |
? 30? |
35? |
8-Φ23X27 |
| 200(PN16) |
249? |
— |
295? |
340? |
225? |
219? |
125? |
28? |
119? |
20? |
? 30? |
35? |
12-Φ23 |
| 250? |
310? |
350? |
362? |
406? |
280? |
254? |
153? |
30? |
146? |
25? |
? 35? |
40? |
12-Φ25X31 |
| 300? |
348? |
400? |
432? |
483? |
315? |
300? |
174? |
30? |
164? |
25? |
? 35? |
45? |
12-Φ25X41 |
| 350? |
393? |
460? |
470? |
520? |
355? |
348? |
197? |
35? |
184? |
30? |
? 40? |
50? |
16-Φ22X27 |
| 400? |
440? |
515? |
525? |
580? |
400? |
390? |
218? |
35? |
206? |
30? |
? 40? |
60? |
16-Φ26X31 |
| 450? |
494? |
561? |
589? |
640? |
450? |
430? |
243? |
40? |
231? |
35? |
? 45? |
65? |
20-Φ26X36 |
| 500? |
548? |
620? |
650? |
715? |
500? |
480? |
271? |
40? |
256? |
35? |
? 50? |
70? |
20-Φ26X41 |
| 600? |
692? |
725? |
780? |
840? |
630? |
571? |
506? |
42? |
321? |
40? |
? 55? |
75? |
20-Φ30X58 |