| 材料 |
?????? 介質溫度℃ |
材料 |
介質溫度℃ |
| 氯化聚氯乙烯(PVC-C) |
-20℃~+95℃ |
聚氯乙烯(PVC-U) |
-5℃~+45℃ |
| 增強聚丙烯(FRPP) |
-20℃~+120℃ |
均聚聚丙烯(PPH) |
-20℃~+110℃ |
| 聚偏二氟乙烯(PVDF) |
40℃~+150℃ |
|
|
1.抗化學性優越:使用溫度范圍廣﹣20℃—95℃,介質中重離子含量達超純水標準;衛生性能符合國家衛生標準要求;
2.具有優良的強度、韌性以及耐化學腐蝕性能;
3.耐用:優異的耐老化和抗紫外線性能,使正常使用壽命比其他管道系統均有很大的延長;
4.低熱傳導性能:約為鋼材的1/200;阻燃性能為自熄性;
5.輕便:重量輕,相當于鋼管1/5,銅管的1/6;
6.阻力小,流率高:管壁平潔光滑,輸送流體時具有較小的摩擦阻力和附著力;
7.安裝簡易,成本低廉:可采用粘接、螺紋等方式連接,而簡便的是膠水連接。

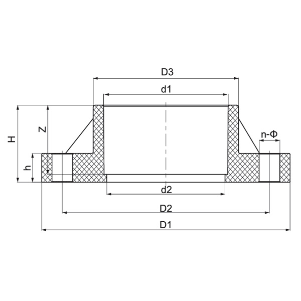
| 規格 |
D1 (mm) |
D2 (mm) |
D3 (mm) |
d1 (mm) |
d2 (mm) |
H (mm) |
h (mm) |
Z (mm) |
n-Φ (mm) |
| 1/2″(15) |
??? 89? |
60? |
31.5? |
21.34? |
18? |
??? 27? |
??? 16? |
22.5? |
4-Φ16 |
| 3/4″(20) |
??? 95? |
70? |
37? |
26.67? |
23? |
30.5? |
??? 18? |
25.5? |
4-Φ16 |
| 1″(25) |
??? 108? |
79? |
45? |
33.4? |
29? |
34.5? |
??? 18? |
29? |
4-Φ16 |
| 1?″(32) |
??? 117? |
89? |
54.5? |
42.16? |
38? |
37.5? |
??? 18? |
32? |
4-Φ16 |
| 1?″(40) |
??? 127? |
98? |
61? |
48.26? |
44? |
40.5? |
??? 20? |
35? |
4-Φ16 |
| 2″(50) |
??? 152? |
121? |
74? |
60.32? |
55? |
44.5? |
??? 20? |
38.5? |
4-Φ19 |
| 2?″(65) |
??? 178? |
140? |
90? |
73.02? |
68? |
51? |
??? 20? |
45? |
4-Φ19 |
| 3″(80) |
??? 191? |
152? |
107? |
88.9? |
83? |
54.5? |
??? 21? |
48? |
4-Φ19 |
| 4″(100) |
??? 229? |
191? |
134? |
114.3? |
109? |
64? |
??? 24? |
57.5? |
8-Φ19 |
| 5″(125) |
??? 254? |
216? |
163? |
141.3? |
134? |
73.5? |
??? 25? |
67? |
8-Φ22 |
| 6″(150) |
??? 279? |
241? |
192? |
168.28? |
160? |
83.5? |
??? 25? |
76.5? |
8-Φ22 |
| 8″(200) |
??? 343? |
299? |
247? |
219.08? |
210? |
109? |
??? 29? |
102? |
8-Φ22 |