| 材料 |
?????? 介質溫度℃ |
材料 |
介質溫度℃ |
| 氯化聚氯乙烯(PVC-C) |
-20℃~+95℃ |
聚氯乙烯(PVC-U) |
-5℃~+45℃ |
| 增強聚丙烯(FRPP) |
-20℃~+120℃ |
均聚聚丙烯(PPH) |
-20℃~+110℃ |
| 聚偏二氟乙烯(PVDF) |
40℃~+150℃ |
|
|
1.抗化學性優越:使用溫度范圍廣﹣20℃—95℃,介質中重離子含量達超純水標準;衛生性能符合國家衛生標準要求;
2.具有優良的強度、韌性以及耐化學腐蝕性能;
3.耐用:優異的耐老化和抗紫外線性能,使正常使用壽命比其他管道系統均有很大的延長;
4.低熱傳導性能:約為鋼材的1/200;阻燃性能為自熄性;
5.輕便:重量輕,相當于鋼管1/5,銅管的1/6;
6.阻力小,流率高:管壁平潔光滑,輸送流體時具有較小的摩擦阻力和附著力;
7.安裝簡易,成本低廉:可采用粘接、螺紋等方式連接,而簡便的是膠水連接。

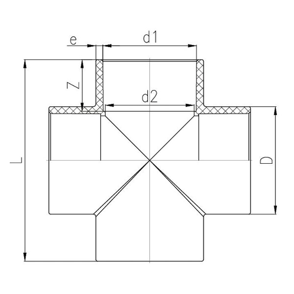
| 公稱直徑DN(mm) |
外形尺寸(mm) |
| D |
d1 |
d2 |
L |
Z |
e |
| 25? |
40? |
32? |
26? |
80? |
22? |
4? |
| 32? |
50? |
40? |
33? |
98? |
26? |
5? |
| 40? |
61? |
50? |
47? |
120? |
31? |
5.5? |
| 50? |
75? |
63? |
59? |
148? |
37.5? |
6? |
| 65? |
88? |
75? |
71? |
169? |
44? |
6.5? |
| 80? |
104? |
90? |
86? |
198? |
51? |
7? |
| 100? |
127? |
110? |
105? |
238? |
61? |
8.5? |
| 125? |
161? |
140? |
135? |
298? |
76? |
10.5? |
| 150? |
184? |
160? |
154? |
338? |
86? |
12? |
| 200? |
249? |
225? |
219? |
480? |
118.5? |
12? |