| 材料 |
?????? 介質溫度℃ |
材料 |
介質溫度℃ |
| 氯化聚氯乙烯(PVC-C) |
-20℃~+95℃ |
聚氯乙烯(PVC-U) |
-5℃~+45℃ |
| 增強聚丙烯(FRPP) |
-20℃~+120℃ |
均聚聚丙烯(PPH) |
-20℃~+110℃ |
| 聚偏二氟乙烯(PVDF) |
40℃~+150℃ |
|
|
1.輕便:PVC-U 材料的比重只有鑄鐵的 1/10,運輸,安裝簡易,降低成本;
2.抗化學性優越:PVC-U 具有優良的抗酸堿性能,除接近飽和點強酸堿外;
3.耐用:抗候性優良,也不能被細菌及菌類所腐化;
4.不導電:PVC-U 材料不能導電,也不受電解,電流的腐蝕,應此無需二次加工。不能燃燒,也不助燃,沒有消防顧慮;
5.阻力小,流率高:內壁光滑,流體流動性損耗小,加以污垢不易附著在平滑管壁,保養較為簡易,保養費用較低;
6.安裝簡易,成本低廉:切割及聯接都很簡易,使用 PVC 膠水聯接實踐證明安全可靠,操作簡便,成本低廉。

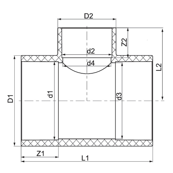
| 規格 |
D1 (mm) |
D2 (mm) |
d1 (mm) |
d2 (mm) |
d3 (mm) |
d4 (mm) |
L1 (mm) |
L2 (mm) |
Z1 (mm) |
Z2 (mm) |
| 3/4″* 1/2″(20*15) |
37? |
31.5? |
26.67? |
21.34? |
23? |
??? 18? |
78? |
38.5? |
25.5? |
22.5? |
| 1″* 1/2″(25*15) |
45? |
31.5? |
33.4? |
21.34? |
29? |
18? |
87? |
42.5? |
29? |
22.5? |
| 1″* 3/4″(25*10) |
45? |
37? |
33.4? |
26.67? |
29? |
23? |
92? |
45.5? |
29? |
25.5? |
| 1?″* 1/2″(32*15) |
54.5? |
31.5? |
42.16? |
21.34? |
38? |
18? |
93? |
47? |
32? |
22.5? |
| 1?″* 3/4″(32*20) |
54.5? |
37? |
42.16? |
26.67? |
38? |
23? |
99? |
50? |
32? |
25.5? |
| 1?″* 1″(32*25) |
54.5? |
45? |
42.16? |
33.4? |
38? |
29? |
104? |
53.5? |
32? |
29? |
| 1?″* 3/4″(40*20) |
61? |
37? |
48.26? |
26.67? |
44? |
23? |
105? |
53.5? |
35? |
25.5? |
| 1?″* 1″(40*25) |
61? |
45? |
48.26? |
33.4? |
44? |
29? |
115? |
57? |
35? |
29? |
| 1?″* 1?″(40*32) |
61? |
54.5? |
48.26? |
42.16? |
44? |
38? |
120? |
60? |
35? |
32? |
| 2″* 1″(50*25) |
74? |
45? |
60.32? |
33.4? |
55? |
29? |
119? |
63? |
38.5? |
29? |
| 2″* 1?″(50*32) |
74? |
54.5? |
60.32? |
42.16? |
55? |
38? |
128? |
66? |
38.5? |
32? |
| 2″* 1?″(50*40) |
74? |
61? |
60.32? |
48.26? |
55? |
44? |
134? |
69? |
38.5? |
35? |
| 2?″* 1?″(65*32) |
90? |
54.5? |
73.02? |
42.16? |
68? |
38? |
143? |
73.5? |
45? |
32? |
| 2?″* 1?″(65*40) |
90? |
61? |
73.02? |
48.26? |
68? |
44? |
149? |
76.5? |
45? |
35? |
| 2?″* 2″(65*50) |
90? |
74? |
73.02? |
60.32? |
68? |
55? |
160? |
80? |
45? |
38.5? |
| 3″* 1?″(80*40) |
107? |
61? |
88.9? |
48.26? |
83? |
44? |
157? |
85? |
48? |
35? |
| 3″* 2″(80*50) |
107? |
74? |
88.9? |
60.32? |
83? |
55? |
168? |
88.5? |
48? |
38.5? |
| 3″* 2?″(80*65) |
107? |
90? |
88.9? |
73.02? |
83? |
68? |
181? |
95? |
48? |
45? |
| 4″* 2″(100*50) |
134? |
74? |
114.3? |
60.32? |
109? |
55? |
188? |
102? |
57.5? |
38.5? |
| 4″* 2?″(100*65) |
134? |
90? |
114.3? |
73.02? |
109? |
68? |
201? |
108.5? |
57.5? |
45? |
| 4″* 3″(100*80) |
134? |
107? |
114.3? |
88.9? |
109? |
83? |
216? |
111.5? |
57.5? |
48? |
| 5″* 2?″(125*65) |
162? |
90? |
141.3? |
73.02? |
134? |
68? |
223? |
122.5? |
67? |
45? |
| 5″* 3″(125*80) |
162? |
107? |
141.3? |
88.9? |
134? |
83? |
238? |
125.5? |
67? |
48? |
| 5″* 4″(125*100) |
162? |
134? |
141.3? |
114.3? |
134? |
109? |
264? |
135? |
67? |
57.5? |
| 6″* 3″(150*80) |
192? |
107? |
168.28? |
88.9? |
160? |
84? |
260? |
140? |
76.5? |
48? |
| 6″* 4″(150*100) |
192? |
134? |
168.28? |
114.3? |
160? |
105? |
286? |
149.5? |
76.5? |
57.5? |
| 6″* 5″(150*125) |
192? |
162? |
168.28? |
141.3? |
160? |
132? |
311? |
159? |
76.5? |
67? |
| 8″* 4″(200*100) |
247? |
134? |
219.08? |
114.3? |
210? |
86? |
340? |
176? |
102? |
57.5? |
| 8″* 5″(200*125) |
247? |
162? |
219.08? |
141.3? |
210? |
105? |
365? |
185.5? |
102? |
67? |
| 8″* 6″(200*150) |
247? |
192? |
219.08? |
168.28? |
210? |
154? |
391? |
195? |
102? |
76.5? |